AUSLAUFMODELL
Wir empfehlen für Neukonstruktionen die technisch optimierte e-ketten®-Serie E4.56 aus dem igus® E4.1 Baukasten.
+25% mehr freitragende Länge, höhere Stabilität und Zugfestigkeit, gleiche Abmessungen und Anschlussmaße
Serie 40 ist in begrenzter Stückzahl ab Lager lieferbar. Der Produktsupport und die Lagerhaltung werden ab 2012 eingeschränkt. Bei Fragen dazu wenden Sie sich bitte an Ihren igus®-Ansprechpartner. Vielen Dank für Ihr Verständnis
zur Serie E4.56
Serie 40 - Kette, vollstegig
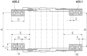
1.KMA Anschlußelemente
2.Anschlußelemente starr oder pendelnd lieferbar
3.R88:Deckel schwenk- und herausnehmbar.
4.R88:Böden herausnehmbar
5.Rohr und Kette kombinierbar
6.Zugentlastungselemente integrierbar
7.40/41:Stege beidseitig herausnehmbar
Lieferbare Innenbreiten Bi: 50 bis 600 mm
Lieferbare Biegeradien R: 135 bis 500 mm
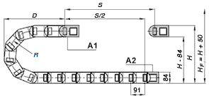
Teilung: 91 mm / Glied = 11 Glieder/m
A=Mitnehmer, B=Festpunkt
Teilung: 91 mm pro Glied
Glieder pro m: 11
Verfahrweg: S
Kettenlänge = S/2 + K
K = Zugschlag für Biegeradius bei der e-ketten Längenberechnung in mm
Hinweis: Kettenlänge für die Kettenglieder wird aufgerundet, da es keine halben Glieder gibt.