AUSLAUFMODELL
Wir empfehlen für Neukonstruktionen die technisch optimierte e-ketten®-Serie H4.80 aus dem igus® E4.1 Baukasten.
+25% mehr freitragende Länge, höhere Stabilität und Zugfestigkeit, gleiche Abmessungen und Anschlussmaße
Serie 51 ist in begrenzter Stückzahl ab Lager lieferbar. Der Produktsupport und die Lagerhaltung werden ab 2012 eingeschränkt. Bei Fragen dazu wenden Sie sich bitte an Ihren igus®-Ansprechpartner. Vielen Dank für Ihr Verständnis
zur Serie H4.80
Serie 51 - Kette, halbstegig
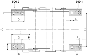
1. KMA-Anschlußelemente
2. Anschlußelemente starr/pendelnd lieferbar
3. R98: Deckel schwenk- und entnehmbar
4. R98: Böden herausnehmbar
5. Rohr und Kette kombinierbar
6. Zugentlastungselemente integrierbar
7. 50/51: Stege beidseitig herausnehmbar
Lieferbare Innenbreiten: 50 bis 600 mm
Lieferbare Biegeradien: 150 bis 1000 mm
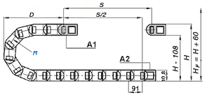
Teilung: 91 mm je Glied = 11 Glieder/m
A=Mitnehmer, B=Festpunkt
Teilung: 91 mm pro Glied
Glieder pro m: 11
Verfahrweg: S
Kettenlänge = S/2 + K
K = Zugschlag für Biegeradius bei der e-ketten Längenberechnung in mm
Hinweis: Kettenlänge für die Kettenglieder wird aufgerundet, da es keine halben Glieder gibt.