Serie R48 - Rohr, im Außenradius zu öffnen
1. Sehr guter Schutz für Leitungen und
Schläuche, auch vor heißen Spänen
2. Außenradius Deckel herausnehmbar
3. Große Bolzen, hohe Stabilität
4. Glatte, späneabweisende Außenkontur
5. Kleine Teilung für leisen, ruhigen Lauf
6. Rundum geschlossen
7. KMA-Anschlusselemente mit
"Rundum"-Befestigungsmöglichkeit
8. Zugentlastungstrennsteg - Trennsteg mit integrierten Zugentlastungszähnen zur Verwendung am ersten oder letzten Kettenglied
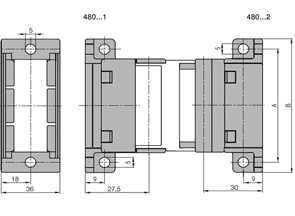
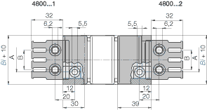
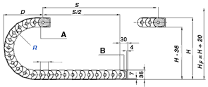
A=Mitnehmer, B=Festpunkt
Teilung: 30,3 mm
Glieder pro m: 33
Verfahrweg: S
Rohrlänge = S/2 + K
K = Zugschlag für Biegeradius bei der e-ketten Längenberechnung in mm
Hinweis: Kettenlänge für die Kettenglieder wird aufgerundet, da es keine halben Glieder gibt.