Serie R2.40 - Rohr, Deckel im Außenradius beidseitig aufklappbar
1. Dicht und universell:
geschlossenes KMA Anschlußelement
mit Rundumbefestigung
2. Störkantenfrei:
glattes Design,
Späne können sich nicht festsetzen
3. Schnelle Montage:
Deckel beidseitig aufklappbar
4. Integrierte Rasterung: ideal für 90°
gedrehte Anwendungen
5. Geschützt: abgedeckte Bolzen-/ Bohrungverbindung
6. Leiser Lauf: durch eingebaute "Bremse"
7. Leicht mit großer
Innenhöhe:
gutes Verhältnis Außenzu
Innenabmessungen
8. Stabil:
doppeltes
Anschlagsystem für große
freitragende Längen
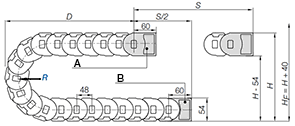
A=Mitnehmer, B=Festpunkt
Teilung: 48 mm
Glieder pro m: 21
Verfahrweg: S
Rohrlänge = S/2 + K
K = Zugschlag für Biegeradius bei der e-ketten Längenberechnung in mm
Hinweis: Kettenlänge für die Kettenglieder wird aufgerundet, da es keine halben Glieder gibt.