Mein Ansprechpartner
Standort auswählen

Nach Eingabe Ihrer Postleitzahl nennen wir Ihnen sofort Ihren persönlichen igus® Berater.

DE(DE)

Zahnriemenachse Baureihe Econ - Für schnelles Positionieren leichter Lasten

Zahnriemenachse ZLW Eco
Viele Zustellbewegungen erfordern kostengünstige Linearachsen, die sich auf die reine Verstellaufgabe konzentrieren. Für schnelles Positionieren leichter Lasten wurde hierfür die neue econ Serie mit Zahnriemen entwickelt. Durch die kompakte Bauform und einem geringem Eigengewicht durch Verwendung von Aluminium und Kunststoff ist die ZLW econ die perfekte Alternative zum Eigenbau.

Leiser Lauf und flacher Aufbau

Komplett schmierfrei

Zahnriemen mit Federvorspannung

Verwindungssteifes eloxiertes Alumiumprofil

Variable Hublängen (bis 500 mm max.)

Lasten bis 20 N


Typische Anwendungsbereiche: Sensor, Kamera, Ladeneinrichtungen, ...
...
Festlegen der Position der Antriebswelle
(rechts oder links), in Blickrichtung x!
1 = Antriebswelle links
2 = Antriebswelle rechts
x = Blickrichtung
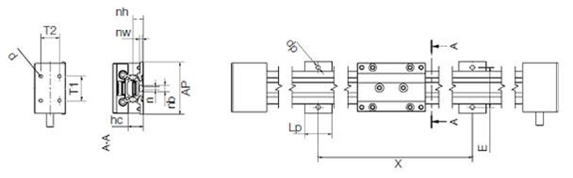
Zahnriemenachse ZLW Eco Abmessungen
Zahnriemenachse ZLW Eco Abmessungen

Abmessungen [mm] Baugröße 0630

Bestellnummer A Al H E2 E3 l R f lt sg ha hc lz l2 d2
in 10 Werktagen versandfertig ZLW-0630-02-E-60-L (1) 54 60 31 45 51 144 30 3 42 M4 14 22,5 22 20 6 136,43 USD In den Warenkorb
Mehr zum gewünschten Artikel:
3D CAD 3D CAD
Musterbestellung Musterbestellung
PDF PDF
Preisanfrage Preisanfrage
myCatalog myCatalog

(1) Maß d2: 6mm Vierkant / mit Adapter Ø10mm und Maß X frei wählbar

Anschlussmaße [mm] Baugröße 0630

Bestellnummer X E AP Lp dp n nb nw nh T1 T2 d
±0,2 –1,0 ±0,25 ±0,25
in 10 Werktagen versandfertig ZLW-0630-02-E-60-L (1) variabel 40 52 15 5,5 5,2 9,5 4,3 7 20 21 3
Mehr zum gewünschten Artikel:
3D CAD 3D CAD
Musterbestellung Musterbestellung
PDF PDF
Preisanfrage Preisanfrage
myCatalog myCatalog

(1) Maß d2: 6mm Vierkant / mit Adapter Ø10mm und Maß X frei wählbar

Abmessungen [mm] Baugröße 1040

Bestellnummer A Al H E2 E3 l R f lt sg ha hc lz l2 d2
in 10 Werktagen versandfertig ZLW-1040-02-E-100-L (1) 74 100 45 60 87 204 40 1 52 M6 22 22,5 27 20 10 211,31 USD In den Warenkorb
Mehr zum gewünschten Artikel:
3D CAD 3D CAD
Musterbestellung Musterbestellung
PDF PDF
Preisanfrage Preisanfrage
myCatalog myCatalog

(1) Maß d2: 6mm Vierkant / mit Adapter Ø10mm und Maß X frei wählbar

Anschlussmaße [mm] Baugröße 1040

Bestellnummer X E AP Lp dp n nb nw T1 T2 d
±0,2 –1,0 ±0,25 ±0,25
in 10 Werktagen versandfertig ZLW-1040-02-E-100-L (1) variabel 60 78 40 6,4 5,2 9,5 15,5 36 26,5 5
Mehr zum gewünschten Artikel:
3D CAD 3D CAD
Musterbestellung Musterbestellung
PDF PDF
Preisanfrage Preisanfrage
myCatalog myCatalog

(1) Maß d2: 6mm Vierkant / mit Adapter Ø10mm und Maß X frei wählbar

Mehr Informationen:


in 10 Werktagen versandfertig

The terms "Apiro", "AutoChain", "CFRIP", "chainflex", "chainge", "chains for cranes", "ConProtect", "cradle-chain", "CTD", "drygear", "drylin", "dryspin", "dry-tech", "dryway", "easy chain", "e-chain", "e-chain systems", "e-ketten", "e-kettensysteme", "e-loop", "energy chain", "energy chain systems", "enjoyneering", "e-skin", "e-spool", "fixflex", "flizz", "i.Cee", "ibow", "igear", "iglidur", "igubal", "igumid", "igus", "igus improves what moves", "igus:bike", "igusGO", "igutex", "iguverse", "iguversum", "kineKIT", "kopla", "manus", "motion plastics", "motion polymers", "motionary", "plastics for longer life", "polymore", "print2mold", "Rawbot", "RBTX", "RCYL", "readycable", "readychain", "ReBeL", "ReCyycle", "reguse", "robolink", "Rohbot", "savfe", "speedigus", "superwise", "take the dryway", "tribofilament", "triflex", "twisterchain", "when it moves, igus improves", "xirodur", "xiros" and "yes" are legally protected trademarks of the igus® GmbH/ Cologne in the Federal Republic of Germany and where applicable in some foreign countries. This is a non-exhaustive list of trademarks (e.g. pending trademark applications or registered trademarks) of igus GmbH or affiliated companies of igus in Germany, the European Union, the USA and/or other countries or jurisdictions.

igus® GmbH points out that it does not sell any products of the companies Allen Bradley, B&R, Baumüller, Beckhoff, Lahr, Control Techniques, Danaher Motion, ELAU, FAGOR, FANUC, Festo, Heidenhain, Jetter, Lenze, LinMot, LTi DRiVES, Mitsubishi, NUM,Parker, Bosch Rexroth, SEW, Siemens, Stöber and all other drive manufacturers mention on this website. The products offered by igus® are those of igus® GmbH