Mein Ansprechpartner
Standort auswählen

Nach Eingabe Ihrer Postleitzahl nennen wir Ihnen sofort Ihren persönlichen igus® Berater.

DE(DE)

SLW-1040 Spindelunterstützung

Schlaue Lösung für lange Hubwege der SLW-Linearmodule

Durch diese mit dem Führungswagen mitfahrenden Spindelunterstützungen, die sich selbstständig an verschiedenen Stellen entlang des Hubweges positionieren, kann der Anwender nun problemlos lange Hubwege >750 mm realisieren. Die Spindel wird somit im Betrieb stabilisiert und die "freie Spindellänge" auch bei geringem Ø verkürzt, so dass keine Durchbiegung stattfindet. Eine ausgefeilte Mechanik sorgt dafür, dass der Schlitten die Spindelunterstützungen auf dem Rückweg wieder mitnimmt.

Erweiterung des nutzbaren Hubs

Zur Realisierung von Hüben über 750 mm

Ruhigerer Lauf der Spindel

Schmiermittel- und wartungsfrei


Einsatzgebiete: Sensorverstellungen, Formatverstellungen

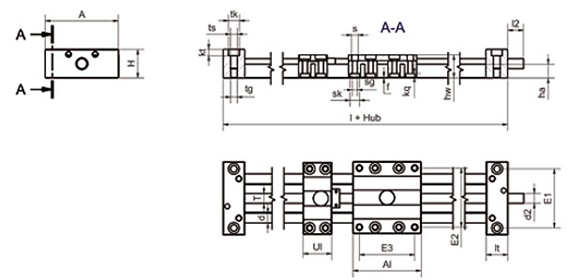
Abmessungen [mm]

Bestellnummer   Hublänge max. Drehzahl max. stat. Tragfähigkeit A Al H    
    max. [U/min.].max. axial [N] radial [N] -0,3 -0,3      
SLW-1040-LSS 2250 500 700 2800 74 69 29 Preis auf Anfrage In den Warenkorb
SLW-1660-LSS NEW 2250 400 1200 4600 104 100 37 Preis auf Anfrage In den Warenkorb
SLW-2080-LSS NEW 3000 300 1600 6400 134 150 46 Preis auf Anfrage In den Warenkorb
Mehr zum gewünschten Artikel:
3D CAD 3D CAD
Musterbestellung Musterbestellung
PDF PDF
Preisanfrage Preisanfrage
myCatalog myCatalog

Abmessungen [mm]

Bestellnummer   E1 E2 E3 l* hw f lt tk ts tg kt sk sg kq d T l2 d2 ha UI    
    ±0,15. ±0,15 ±0,15 -0,3     ±0,1       ±0,1   -0,3     Ø            
SLW-1040-LSS 60 60 56 171 24 1,5 22 11 6,8 M8 6,4 9,5 M6 4,4 10 TR10x2 17 TR10x2 14,5 29 Preis auf Anfrage In den Warenkorb
SLW-1660-LSS NEW 84 86 82 150 35 1,5 25 15 9 M10 8,6 11 M8 5,5 16 TR14x4 20 TR14x4 18,5 36 Preis auf Anfrage In den Warenkorb
SLW-2080-LSS NEW 116 116 132 206 44 1,5 28 15 8,6 M10 8,6 14 M8 5,5 20 TR18x4 26 12 h9 23 45 Preis auf Anfrage In den Warenkorb
Mehr zum gewünschten Artikel:
3D CAD 3D CAD
Musterbestellung Musterbestellung
PDF PDF
Preisanfrage Preisanfrage
myCatalog myCatalog

*bei Hub > 1500 mm jeweils 2 Unterstützungwagen rechts/links: l = 229


Lieferzeit auf Anfrage

The terms "Apiro", "AutoChain", "CFRIP", "chainflex", "chainge", "chains for cranes", "ConProtect", "cradle-chain", "CTD", "drygear", "drylin", "dryspin", "dry-tech", "dryway", "easy chain", "e-chain", "e-chain systems", "e-ketten", "e-kettensysteme", "e-loop", "energy chain", "energy chain systems", "enjoyneering", "e-skin", "e-spool", "fixflex", "flizz", "i.Cee", "ibow", "igear", "iglidur", "igubal", "igumid", "igus", "igus improves what moves", "igus:bike", "igusGO", "igutex", "iguverse", "iguversum", "kineKIT", "kopla", "manus", "motion plastics", "motion polymers", "motionary", "plastics for longer life", "polymore", "print2mold", "Rawbot", "RBTX", "RCYL", "readycable", "readychain", "ReBeL", "ReCyycle", "reguse", "robolink", "Rohbot", "savfe", "speedigus", "superwise", "take the dryway", "tribofilament", "triflex", "twisterchain", "when it moves, igus improves", "xirodur", "xiros" and "yes" are legally protected trademarks of the igus® GmbH/ Cologne in the Federal Republic of Germany and where applicable in some foreign countries. This is a non-exhaustive list of trademarks (e.g. pending trademark applications or registered trademarks) of igus GmbH or affiliated companies of igus in Germany, the European Union, the USA and/or other countries or jurisdictions.

igus® GmbH points out that it does not sell any products of the companies Allen Bradley, B&R, Baumüller, Beckhoff, Lahr, Control Techniques, Danaher Motion, ELAU, FAGOR, FANUC, Festo, Heidenhain, Jetter, Lenze, LinMot, LTi DRiVES, Mitsubishi, NUM,Parker, Bosch Rexroth, SEW, Siemens, Stöber and all other drive manufacturers mention on this website. The products offered by igus® are those of igus® GmbH