Mein Ansprechpartner
Standort auswählen

Nach Eingabe Ihrer Postleitzahl nennen wir Ihnen sofort Ihren persönlichen igus® Berater.

DE(DE)

Schmierfreie drylin® ZLW-OD Zahnriemenachse in Baugröße 16

Gegenläufig

gegenläufige Zahnriemenachse
Die neue drylin® Zahnriemenachse ZLW-OD in der Baugröße 1660 komplettiert die Serie an gegenläufigen Linearachsen. Ein robuster Aufbau basierend auf dem schmierfreien drylin® W-Linearbaukasten, Aluminiumtraversen und Rillenkugellagern in den Umlenkungen ermöglicht ein sehr schnelles gegenläufiges Positionieren mit einem maximalen Hubweg von 3.000 mm. Für die motorische Verstellung kann die Achse anschlussfertig mit drylin® NEMA-Schrittmotoren konfiguriert, bestellt und geliefert werden.

Schmierfreie Linearführung auf Basis drylin® W

Individuelle Hublängen bis max. 3.000 mm

Radiallasten bis 200 N

drylin® E-Schrittmotoren (mit oder ohne Encoder und Bremse) lieferbar

Lieferung inklusive Winkelflansch zur Befestigung


Typische Anwendungsbereiche: Handling und Automation, Warenausgabeautomaten, Regalbediengeräte
drylin® Ausrichtung Winkelflansch
ZLW Variante "02" seitlich montiert, ZLW-Ausrichtung Hochkant
drylin® Variante "04" horizontal montiert, ZLW Ausrichtung waagerecht
ZLW Variante "03" stirnseitig montiert

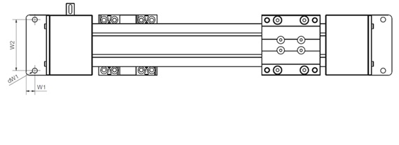
Abmessungen [mm]

Art.-Nr. A Al H Ht E2 E3 L R f lt sg ha lz Hublänge
-0,3 ±0,15 ±0,15 ±0,15 ±0,3 max.
in 10 Werktagen versandfertig ZLW-1660-OD-02 104 100 70 70 86 82 248 58 0 79 M8 35 36 3000 Preis auf Anfrage In den Warenkorb
in 10 Werktagen versandfertig ZLW-1660-OD-03 104 100 70 70 86 82 248 58 0 79 M8 35 36 3000 Preis auf Anfrage In den Warenkorb
in 10 Werktagen versandfertig ZLW-1660-OD-04 104 100 70 70 86 82 248 58 0 74 M8 35 36 3000 Preis auf Anfrage In den Warenkorb
Mehr zum gewünschten Artikel:
3D CAD 3D CAD
Musterbestellung Musterbestellung
PDF PDF
Preisanfrage Preisanfrage
myCatalog myCatalog
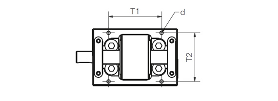
Art.-Nr. l2 d2 d T1 T2 Ws W1 W2 dw1 IW AW
h9 ±0,25 ±0,25
in 10 Werktagen versandfertig ZLW-1660-OD-02 20 14 M5 - 10 tief 65 60 5 15 54 8,5 328 114 Preis auf Anfrage In den Warenkorb
in 10 Werktagen versandfertig ZLW-1660-OD-03 20 14 M5 - 10 tief 65 60 5 15 88 8,5 328 75 Preis auf Anfrage In den Warenkorb
in 10 Werktagen versandfertig ZLW-1660-OD-04 20 14 M5 - 10 tief 65 60 5 248 70 Preis auf Anfrage In den Warenkorb
Mehr zum gewünschten Artikel:
3D CAD 3D CAD
Musterbestellung Musterbestellung
PDF PDF
Preisanfrage Preisanfrage
myCatalog myCatalog

Mehr Informationen:


in 10 Werktagen versandfertig

The terms "Apiro", "AutoChain", "CFRIP", "chainflex", "chainge", "chains for cranes", "ConProtect", "cradle-chain", "CTD", "drygear", "drylin", "dryspin", "dry-tech", "dryway", "easy chain", "e-chain", "e-chain systems", "e-ketten", "e-kettensysteme", "e-loop", "energy chain", "energy chain systems", "enjoyneering", "e-skin", "e-spool", "fixflex", "flizz", "i.Cee", "ibow", "igear", "iglidur", "igubal", "igumid", "igus", "igus improves what moves", "igus:bike", "igusGO", "igutex", "iguverse", "iguversum", "kineKIT", "kopla", "manus", "motion plastics", "motion polymers", "motionary", "plastics for longer life", "polymore", "print2mold", "Rawbot", "RBTX", "RCYL", "readycable", "readychain", "ReBeL", "ReCyycle", "reguse", "robolink", "Rohbot", "savfe", "speedigus", "superwise", "take the dryway", "tribofilament", "triflex", "twisterchain", "when it moves, igus improves", "xirodur", "xiros" and "yes" are legally protected trademarks of the igus® GmbH/ Cologne in the Federal Republic of Germany and where applicable in some foreign countries. This is a non-exhaustive list of trademarks (e.g. pending trademark applications or registered trademarks) of igus GmbH or affiliated companies of igus in Germany, the European Union, the USA and/or other countries or jurisdictions.

igus® GmbH points out that it does not sell any products of the companies Allen Bradley, B&R, Baumüller, Beckhoff, Lahr, Control Techniques, Danaher Motion, ELAU, FAGOR, FANUC, Festo, Heidenhain, Jetter, Lenze, LinMot, LTi DRiVES, Mitsubishi, NUM,Parker, Bosch Rexroth, SEW, Siemens, Stöber and all other drive manufacturers mention on this website. The products offered by igus® are those of igus® GmbH