Mein Ansprechpartner
Standort auswählen

Nach Eingabe Ihrer Postleitzahl nennen wir Ihnen sofort Ihren persönlichen igus® Berater.

DE(DE)

Anschlußfertige drylin®-Lineareinheiten

Anschlussfertige Lineareinheiten für Ihren Schrittmotor Typ NEMA 23

SAW – anschlussfertig für Schrittmotor

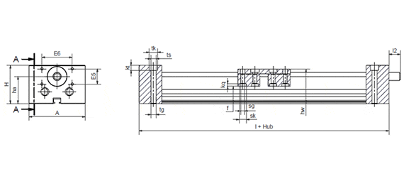
Die drylin®-Baureihe SAW bietet anschlussfertige Linearachsen für Ihren Schrittmotor Typ NEMA-23 unterschiedlicher Hersteller (Berger Lahr, Festo, Gunda, Oriental, Sanyo Denki etc.). Die Linearbewegung erfolgt dabei komplett schmiermittelfrei.

Gewinde-Antriebsspindel mit Kugellager gelagert

Steigungen 2 mm, 3 mm, 12 mm oder 50 mm pro Umdrehung

kompakte Bauart, geringes Gewicht, hohe Stabilität

einbaufertig lieferbar mit Motorflansch und Kupplung

optional mit einstellbaren Linearlagern und spielfrei vorgespannten Schlitten

neben dem Standard der rechtsgängigen Spindel können auch links- bzw. gegenläufige Spindeln eingesetzt werden

1

Schrittmotor (optional)

2

Motorflansch und Kupplung

3

Trapezgewinde 10 x 2, 10 x 3 Steilgewinde 10 x 12, 10 x 50

4

Gewindemutter und Linearlager aus iglidur® J, schmierfrei

5

Kugellager

Optional: Gehäuselager mit Turn-To-Fit-Funktion Optional: Gehäuselager mit Turn-To-Fit-Funktion

Zusatzinfos Motoren:

Schrittmotoren sind eine gute Ergänzung zu drylin®-Linearachsen. Sie zeichnen sich durch ihre Kosteneffektivität, ihre Präzision und eine einfache Ansteuerung aus. Sie arbeiten zuverlässig in verschiedensten Umgebungsbedingungen (abhängig von der gewählten Schutzart IP). Der NEMA-Standard garantiert gute weltweite Verfügbarkeit.

NEMA-Größe Flanschbreite (b) Lochabstand (a)  
8 20,00 16,00
11 28,00 23,00
14 35,00 26,00
17 42,00 31,00
23 56,40 47,14
34 86,00 69,50

NEMA bezieht sich ausschließlich auf die Anschlußmaße der Schrittmotoren! Exakte Werte entnehmen Sie bitte den jeweiligen Motor-Datenblättern.

Bestellnr. max.
Hublänge
max.
Drehzahl
max.
statische Tragfähigkeit
axial [N] radial [N]
Ausführung
Lieferzeit auf Anfrage SAW-1040 500 1500 500 2000 Standard-Lineargleitlager
mit schmierfreier
iglidur® J-Gleitfolie
In den Warenkorb
in 10 Werktagen versandfertig SAW-1040-E 500 1500 500 2000 zusätzlich mit manuell
einstellbaren Lineargleitlagern
(Turn-To-Fit)
In den Warenkorb
Mehr zum gewünschten Artikel:
3D CAD 3D CAD
Musterbestellung Musterbestellung
PDF PDF
Preisanfrage Preisanfrage
myCatalog myCatalog

Mehr Informationen:


in 10 Werktagen versandfertig
Lieferzeit auf Anfrage

The terms "Apiro", "AutoChain", "CFRIP", "chainflex", "chainge", "chains for cranes", "ConProtect", "cradle-chain", "CTD", "drygear", "drylin", "dryspin", "dry-tech", "dryway", "easy chain", "e-chain", "e-chain systems", "e-ketten", "e-kettensysteme", "e-loop", "energy chain", "energy chain systems", "enjoyneering", "e-skin", "e-spool", "fixflex", "flizz", "i.Cee", "ibow", "igear", "iglidur", "igubal", "igumid", "igus", "igus improves what moves", "igus:bike", "igusGO", "igutex", "iguverse", "iguversum", "kineKIT", "kopla", "manus", "motion plastics", "motion polymers", "motionary", "plastics for longer life", "polymore", "print2mold", "Rawbot", "RBTX", "RCYL", "readycable", "readychain", "ReBeL", "ReCyycle", "reguse", "robolink", "Rohbot", "savfe", "speedigus", "superwise", "take the dryway", "tribofilament", "triflex", "twisterchain", "when it moves, igus improves", "xirodur", "xiros" and "yes" are legally protected trademarks of the igus® GmbH/ Cologne in the Federal Republic of Germany and where applicable in some foreign countries. This is a non-exhaustive list of trademarks (e.g. pending trademark applications or registered trademarks) of igus GmbH or affiliated companies of igus in Germany, the European Union, the USA and/or other countries or jurisdictions.

igus® GmbH points out that it does not sell any products of the companies Allen Bradley, B&R, Baumüller, Beckhoff, Lahr, Control Techniques, Danaher Motion, ELAU, FAGOR, FANUC, Festo, Heidenhain, Jetter, Lenze, LinMot, LTi DRiVES, Mitsubishi, NUM,Parker, Bosch Rexroth, SEW, Siemens, Stöber and all other drive manufacturers mention on this website. The products offered by igus® are those of igus® GmbH