Mein Ansprechpartner
Standort auswählen

Nach Eingabe Ihrer Postleitzahl nennen wir Ihnen sofort Ihren persönlichen igus® Berater.

DE(DE)

drylin® SHT-WS: alle Richtungen

Ausrichtung frei wählbar

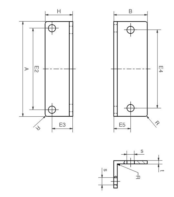
drylin® SHT-WS ist der neuer Winkelbausatz für die Spindellineartischreihe SHT. Edelstahlwinkel für die Baugrößen 12 und 20 lassen jegliche Kombination an Kreuztischen zu.

2 verschiedene Baugrößen

Kombinierbar mit allen drylin® Spindellineartischen der Serien SHT/SHTC/SHTS in den Baugrößen 12 und 20


Branchen: Sondermaschinenbau
Anwendungsbeispiel

Art.-Nr. A H B E2 E3 E4 E5 s t  
in 3 Werktagen versandfertig SHT-WS-12 (1) 85 26,5 30 73 20,5 70 15 6,5 3 In den Warenkorb
in 3 Werktagen versandfertig SHT-WS-20 (1) 130 36 35 108 18 115 35 8,5 5 In den Warenkorb
Mehr zum gewünschten Artikel:
3D CAD 3D CAD
Musterbestellung Musterbestellung
PDF PDF
Preisanfrage Preisanfrage
myCatalog myCatalog

(1) Bei diesem Artikel handelt es sich um einen Satz (2 St.) Winkel

Weitere Informationen:


in 3 Werktagen versandfertig

The terms "Apiro", "AutoChain", "CFRIP", "chainflex", "chainge", "chains for cranes", "ConProtect", "cradle-chain", "CTD", "drygear", "drylin", "dryspin", "dry-tech", "dryway", "easy chain", "e-chain", "e-chain systems", "e-ketten", "e-kettensysteme", "e-loop", "energy chain", "energy chain systems", "enjoyneering", "e-skin", "e-spool", "fixflex", "flizz", "i.Cee", "ibow", "igear", "iglidur", "igubal", "igumid", "igus", "igus improves what moves", "igus:bike", "igusGO", "igutex", "iguverse", "iguversum", "kineKIT", "kopla", "manus", "motion plastics", "motion polymers", "motionary", "plastics for longer life", "polymore", "print2mold", "Rawbot", "RBTX", "RCYL", "readycable", "readychain", "ReBeL", "ReCyycle", "reguse", "robolink", "Rohbot", "savfe", "speedigus", "superwise", "take the dryway", "tribofilament", "triflex", "twisterchain", "when it moves, igus improves", "xirodur", "xiros" and "yes" are legally protected trademarks of the igus® GmbH/ Cologne in the Federal Republic of Germany and where applicable in some foreign countries. This is a non-exhaustive list of trademarks (e.g. pending trademark applications or registered trademarks) of igus GmbH or affiliated companies of igus in Germany, the European Union, the USA and/or other countries or jurisdictions.

igus® GmbH points out that it does not sell any products of the companies Allen Bradley, B&R, Baumüller, Beckhoff, Lahr, Control Techniques, Danaher Motion, ELAU, FAGOR, FANUC, Festo, Heidenhain, Jetter, Lenze, LinMot, LTi DRiVES, Mitsubishi, NUM,Parker, Bosch Rexroth, SEW, Siemens, Stöber and all other drive manufacturers mention on this website. The products offered by igus® are those of igus® GmbH