Mein Ansprechpartner
Standort auswählen

Nach Eingabe Ihrer Postleitzahl nennen wir Ihnen sofort Ihren persönlichen igus® Berater.

DE(DE)

ZLW: Linearachsen für extreme Bedingungen

Version LT für Tiefkühlanwendungen bis -30°C
Version UW für den Unterwassereinsatz

Die bewährten drylin®-Zahnriemenachsen sind für das schnelle Positionieren kleiner Lasten entwickelt worden. Neben der geringen Eigenmasse von Führung und Schlitten, die zu einer geringen Massenträgheit führen, sind die zahnriemenbetriebenen Lineareinheiten korrosionsbeständig, leicht und kompakt.
  • 100 % schmiermittelfreie Ausführung mit Gleitlagern
  • Vielseitige und einfache Montage
  • Frei wählbare Hublänge
  • Flach und robust
  • Leicht und korrosionsgeschützt
Zahnriemenachse

Technische Daten

Technische DatenZLW-1040-LT für TiefkühlanwendungenZLW-1040-UW für Unterwassereinsatz
Gewicht ohne Hub[kg]1,01,0
Gewicht 100 mm Hub[mm]0,140,14
max. Hublänge*[mm]2.0001.000
Übersetzung[mm/U]7070
Verzahnung AT 5AT 5
Zahnriemenmaterial TPUKF2PU mit Edelstahl-Zugträgern
Zahnriemenbreite[mm]1616
Zahnriemenspannung[N]20050
max. Radialbelastung[N]300100
Umlenklager Kältekugellagerxiros® Kugellager
max. Geschwindigkeit[m/s]51
max. Positionsabweichung des Schlittens, lastabhängig[mm]±0,2±0,5
* längere Hublängen auf Anfrage

Anwendung aus der Praxis

ZLW Anwendung drylin® ZLW-LT in einem Pizza-Automaten, der innerhalb von zwei Minuten eine tiefgekühlte vorgebackene Pizza fertig backen und dem Kunden servieren kann. Alle verwendeten Lagerkomponenten funktionieren auch bei -20°C.

Lieferprogramm ZLW-1040-LT

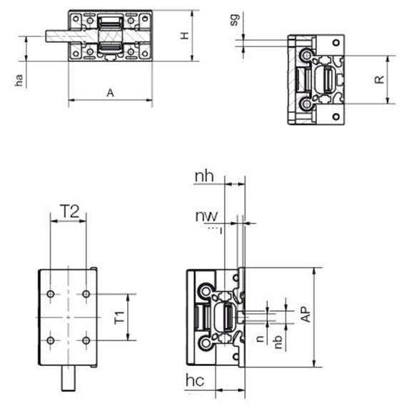
Art.-Nr. A Al H E2 l hc E3 R f lt sg ha lz l2    
  -0,3     ±0,15     ±0,15 ±0,15   ±0,3            
in 10 Werktagen versandfertig ZLW-1040-LT-100-L (1) 74 100 45 60 209 22,5 87 40 1 52 M6 22 27 20 433,67 USD In den Warenkorb
in 10 Werktagen versandfertig ZLW-1040-LT-100-R (1) 74 100 45 60 209 22,5 87 40 1 52 M6 22 27 20 433,67 USD In den Warenkorb
Mehr zum gewünschten Artikel:
3D CAD 3D CAD
Musterbestellung Musterbestellung
PDF PDF
Preisanfrage Preisanfrage
myCatalog myCatalog

(1) Maß X frei wählbar

Fortsetzung Lieferprogramm ZLW-1040-LT

Art.-Nr. d2 X E AP LP dp n np nw nh T1 T2 d
      ±0,2 -1             ±0,25 ±0,25  
in 10 Werktagen versandfertig ZLW-1040-LT-100-L (1) 10 - 60 78 40 6,4 5,2 9,5 4,3 15,5 36 26,5 5
in 10 Werktagen versandfertig ZLW-1040-LT-100-R (1) 10 - 60 78 40 6,4 5,2 9,5 4,3 15,5 36 26,5 5
Mehr zum gewünschten Artikel:
3D CAD 3D CAD
Musterbestellung Musterbestellung
PDF PDF
Preisanfrage Preisanfrage
myCatalog myCatalog

(1) Maß X frei wählbar

Lieferprogramm ZLW-1040-UW

Art.-Nr. A Al H E2 l hc E3 R f lt sg ha lz l2    
  -0,3     ±0,15     ±0,15 ±0,15   ±0,3            
in 10 Werktagen versandfertig ZLW-1040-UW-100-L (1) 74 100 45 60 209 22,5 87 40 1 52 M6 22 27 20 433,67 USD In den Warenkorb
in 10 Werktagen versandfertig ZLW-1040-UW-100-R (1) 74 100 45 60 209 22,5 87 40 1 52 M6 22 27 20 433,67 USD In den Warenkorb
Mehr zum gewünschten Artikel:
3D CAD 3D CAD
Musterbestellung Musterbestellung
PDF PDF
Preisanfrage Preisanfrage
myCatalog myCatalog

(1) Maß X frei wählbar

Fortsetzung Lieferprogramm ZLW-1040-UW

Art.-Nr. d2 X E AP LP dp n np nw nh T1 T2 d
      ±0,2 -1             ±0,25 ±0,25  
in 10 Werktagen versandfertig ZLW-1040-UW-100-L (1) 10 - 60 78 40 6,4 5,2 9,5 4,3 15,5 36 26,5 5
in 10 Werktagen versandfertig ZLW-1040-UW-100-R (1) 10 - 60 78 40 6,4 5,2 9,5 4,3 15,5 36 26,5 5
Mehr zum gewünschten Artikel:
3D CAD 3D CAD
Musterbestellung Musterbestellung
PDF PDF
Preisanfrage Preisanfrage
myCatalog myCatalog

(1) Maß X frei wählbar

Technische Zeichnung


in 10 Werktagen versandfertig

The terms "Apiro", "AutoChain", "CFRIP", "chainflex", "chainge", "chains for cranes", "ConProtect", "cradle-chain", "CTD", "drygear", "drylin", "dryspin", "dry-tech", "dryway", "easy chain", "e-chain", "e-chain systems", "e-ketten", "e-kettensysteme", "e-loop", "energy chain", "energy chain systems", "enjoyneering", "e-skin", "e-spool", "fixflex", "flizz", "i.Cee", "ibow", "igear", "iglidur", "igubal", "igumid", "igus", "igus improves what moves", "igus:bike", "igusGO", "igutex", "iguverse", "iguversum", "kineKIT", "kopla", "manus", "motion plastics", "motion polymers", "motionary", "plastics for longer life", "polymore", "print2mold", "Rawbot", "RBTX", "RCYL", "readycable", "readychain", "ReBeL", "ReCyycle", "reguse", "robolink", "Rohbot", "savfe", "speedigus", "superwise", "take the dryway", "tribofilament", "triflex", "twisterchain", "when it moves, igus improves", "xirodur", "xiros" and "yes" are legally protected trademarks of the igus® GmbH/ Cologne in the Federal Republic of Germany and where applicable in some foreign countries. This is a non-exhaustive list of trademarks (e.g. pending trademark applications or registered trademarks) of igus GmbH or affiliated companies of igus in Germany, the European Union, the USA and/or other countries or jurisdictions.

igus® GmbH points out that it does not sell any products of the companies Allen Bradley, B&R, Baumüller, Beckhoff, Lahr, Control Techniques, Danaher Motion, ELAU, FAGOR, FANUC, Festo, Heidenhain, Jetter, Lenze, LinMot, LTi DRiVES, Mitsubishi, NUM,Parker, Bosch Rexroth, SEW, Siemens, Stöber and all other drive manufacturers mention on this website. The products offered by igus® are those of igus® GmbH