Mein Ansprechpartner
Standort auswählen

Nach Eingabe Ihrer Postleitzahl nennen wir Ihnen sofort Ihren persönlichen igus® Berater.

DE(DE)

Offshore-Kette OSC

Stärkste Energiekette - doppelt gesichert - dennoch flexibel

Die Offshore-Kette OSC von igus kommt unter den härtesten Bedingungen zur Anwendung, dort wo Sicherheit, Langlebigkeit, rauste Umwelteinflüsse für die Funktion der Anlage entscheidend sind. Die OSC  kombiniert die Vorteile einer Kunststoff-Energiekette mit denen eines hochfesten Zugseils, das in beiden Kettengliedern geführt wird. Zugkräfte werden durch das Kunststoff-Faser-Seil aufgenommen und in die Anschlusselemente geleitet. Die Innenaufteilung kann modular an das Projekt und Leitungspaket angepasst werden. Die e-kette bietet dabei einen Biegeradius von 750mm für Leitungen und Schläuche.
Jetzt Offshore-Kette OSC anfragen

Technik verbessern

Technik verbessern

  • Modulares System, falls erforderlich einfach zu öffnen
  • Alle Bauteile sind einzeln ersetzbar
  • Innenaufteilung kann an Projekt und Leitungspaket individuell angepasst werden
  • Maximaler Leitungsdurchmesser bis 80 mm, oder 750 mm Biegeradius
  • Schmutzunempfindlich
Kosten senken

Kosten senken

  • Schlüsselfertige Lösungen (Mit Steckverbindern und/oder Verbindungsgehäuse inkl. Elektrischer Prüfung)
  • Integration von i.Sense Condition Monitoring Systemen für planbare Wartung und Bedienung in der Ferne möglich
  • Anschlusselemente zur einfachen und schnellen Montage
  • Energieketten mit 36 Monaten Garantie
Beweise

Beweise

  • Zulässige Betriebslast des Kunststoff-Seils von 187 kN
  • Doppelte Schraubensicherung aller Elemente für hohe Betriebssicherheit möglich
  • Schutz vor Schlägen durch robusten PU-Außenkörper
  • Lieferzeit ab 10 Wochen
Nachhaltigkeit

Nachhaltigkeit


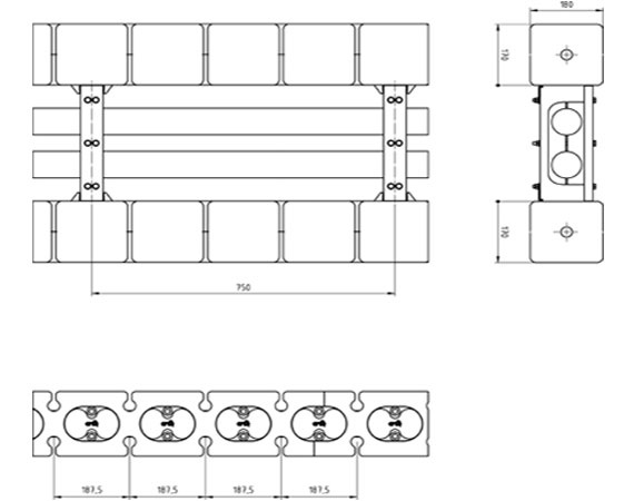
Aufbau der Offshore-Kette OCS

Offshore-Kette OCS

Innenaufteilung

Die Innenaufteilung der Energiekette kann individuell an das Projekt und die zu verwendenen Leitungen/Schläuche angepasst werden. Die Leitungen werden nebeneinander angeordnet und über ein PU Körper (in form eines Kammes) voneinander getrennt. Der Inenaufteilungs-Block wird dabei verliersicher in einen Stahlrahmen eingelegt und von oben mit Schrauben und Bügel verschlossen.

Kettenglieder

Die Kettenglieder der OSC sind aus einem aufegschäumten PU Material gefertigt und somit stoßunempfindlich. Innerhalb der Kettenglieder läuft das Kunststoff-Seil, welches in jedem Kettenglied mehrfach geklemmt wird. Alle Teile werden verschraubt und können bei Bedarf doppelt gesichert werden.

Kuststoff-Faser-Seil

Das hochfeste Kuststoff-Faser-Seil absorbiert auftretende Zugkräfte und leitet diese in die Anschlusselemente weiter. Dadurch bleiben die Leitungen frei von jedweder Zugbelastung. Das Zugseil kann Zugkräfte bis zu 187kN aufnehmen.

Anschlusselemente

Das Kunststoff-Faser-Seil endet in den beiden Stahl-Anschlusselementen. An diesem Punkt befindet sich auch die Zugentlastung der Leitungen. Das Anschlusselement kann mittels Durchgangslöchern an die Kundenstruktur geschraubt werden.

Lieferprogramm


Leitungsdurchmesser Max. 80 mm
Hi [mm]Max. 80 mm
Ha [mm]180 mm
Pitch [mm]187,5 / 750
Biegeradius [mm]750 mm
Gewicht [kg/m]40 kg/m
Workload [kN]187 kN
 
Jetzt Projekt anfragen

Die spannendsten Projekte mit der Offshore-Kette OSC

Die Offshore-Kette OCS kann in folgenden Branchen eingesetzt werden:


Fragen und Antworten

Wie kann ich Energie in Heavy-Duty-Anwendungen zuverlässig und sicher führen? Welche Alternative gibt es zu Service Loops und Umbilicals?
Damit Leitungen selbst mit großen Querschnitten und hohem Gewicht in hängenden Anwendungen sicher geführt werden können, hat igus die Offshore-Kette entwickelt. Bei dieser Energiekette handelt es sich um die stärkste und robusteste Energiekette aus dem Hause igus. Speziell entwickelt um hohe Leitungsgewichte oder auch Windlasten Stand zu halten. Durch die verbauten Kunststoff-Seile im Inneren der Kettenglieder kann die Energiekette Zuglasten bis 187 kN aufnehmen.

Wie nimmt die OSC Kräfte auf?
Aufgebaut wird die neue Energieführung von igus um ein hochzugfestes Kunststoffseil, das die Zugkräfte auf das System aufnimmt. Das Seil besteht aus einer synthetischen Kunststofffaser und ist dadurch bruchsicher, wetterbeständig, flexibel und korrosionsfrei. Das ermöglich der e-Kette Zuglasten von bis zu 187kN aufzunehmen.
Kann man Leitungen in der OSC austauschen?
Die e-kette ist von oben durch das Lösen von Schrauben auf dem Öffnungssteg zu öffnen. Somit hat man Zugriff auf das Leitungspaket und kann entsprechend tauschen. Eine andere Möglichkeit besteht dadrin die Leitungen der Länge nach durch die OSC zu ziehen.

Wie liefert igus die OSC und wie läuft die Installation ab?
Die Lieferung der OSC-Kette ist abhängig von der Kettenlänge. Üblicherweise wird die OSC-Kette vormontiert angeliefert, wobei die Endmontage beim Kunden erfolgt. Die Montage übernimmt gerne unser erfahrenes Installationsteam.

Wie wird verhindert, dass Kettenteile sich lösen und herunterfallen?
Alle Teile der Kette werden miteinander verschraubt und mit Keilunterlegscheiben gesichert und verklebt. Bei Bedarf können diese Verbindungen zusätzlich durch einen Splint verliersicher als doppelte Schraubensicherung ausgeführt werden.

Das könnten Sie auch interessieren

chainflex Leitungen

chainflex Leitungen Ausfallsichere Leitungen mit 4 Jahren Garantie für bewegte Anwendungen

readychain Komplettsystem

chainflex Leitungen Alles aus einer Hand! Konfektionierungszeit sinkt um bis zu 95%

Projektierung

Projektierung Maßgeschneiderte Lösungen, außerhalb des Produktkataloges für spezielle Anwendungen

Beratung

Gerne beantworte ich Ihre Fragen auch persönlich

Beratung und Lieferung

Persönlich:

Montag – Freitag: 7 – 20 Uhr
8 – 12 Uhr

Online:

Chat-Service:
Montag - Donnerstag: 8 – 18 Uhr
Freitag: 8 - 17 Uhr
Samstag: 8 – 12 Uhr
WhatsApp-Service:
Montag – Freitag: 8 – 16 Uhr


The terms "Apiro", "AutoChain", "CFRIP", "chainflex", "chainge", "chains for cranes", "ConProtect", "cradle-chain", "CTD", "drygear", "drylin", "dryspin", "dry-tech", "dryway", "easy chain", "e-chain", "e-chain systems", "e-ketten", "e-kettensysteme", "e-loop", "energy chain", "energy chain systems", "enjoyneering", "e-skin", "e-spool", "fixflex", "flizz", "i.Cee", "ibow", "igear", "iglidur", "igubal", "igumid", "igus", "igus improves what moves", "igus:bike", "igusGO", "igutex", "iguverse", "iguversum", "kineKIT", "kopla", "manus", "motion plastics", "motion polymers", "motionary", "plastics for longer life", "polymore", "print2mold", "Rawbot", "RBTX", "RCYL", "readycable", "readychain", "ReBeL", "ReCyycle", "reguse", "robolink", "Rohbot", "savfe", "speedigus", "superwise", "take the dryway", "tribofilament", "triflex", "twisterchain", "when it moves, igus improves", "xirodur", "xiros" and "yes" are legally protected trademarks of the igus® GmbH/ Cologne in the Federal Republic of Germany and where applicable in some foreign countries. This is a non-exhaustive list of trademarks (e.g. pending trademark applications or registered trademarks) of igus GmbH or affiliated companies of igus in Germany, the European Union, the USA and/or other countries or jurisdictions.

igus® GmbH points out that it does not sell any products of the companies Allen Bradley, B&R, Baumüller, Beckhoff, Lahr, Control Techniques, Danaher Motion, ELAU, FAGOR, FANUC, Festo, Heidenhain, Jetter, Lenze, LinMot, LTi DRiVES, Mitsubishi, NUM,Parker, Bosch Rexroth, SEW, Siemens, Stöber and all other drive manufacturers mention on this website. The products offered by igus® are those of igus® GmbH