Mein Ansprechpartner
Standort auswählen

Nach Eingabe Ihrer Postleitzahl nennen wir Ihnen sofort Ihren persönlichen igus® Berater.

DE(DE)

drylin® SHT-PL "Preload" - manuelle Spieleinstellung

Besondere Eigenschaften

absolute Schmiermittelfreiheit

vorgespannte Trapezgewindemutter, Vorspannkraft: 50 N

Radialspiel manuell und stufenlos einstellbar

geringes Gewicht durch Aluminium und Kunststoff

auslaufendes Spindelende ermöglicht Betrieb über Handrad oder Motor

Temperaturbeständigkeit bis +80 °C



1 - Trapezgewindemutter mit Federvorspannung
2 - Radialspiel beidseitig einstellbar

Zu diesen Artikeln passend:


SHT-PL - "Preload"

L max.:

 


Bestellung eines kompletten Systems

Konfiguration in wenigen Schritten:

1. Auswahl der Baugröße
2. Eingabe der Hublänge in mm
3. Auswahl von Zubehörteilen

Hinweis:

Detailinformationen finden Sie unten in den Zeichnungen und Tabellen sowie auf den u.g. Seiten.

drylin® SHT-PL - komplettes System

Schritt 1

Wählen Sie die Baugröße des Spindel-Lineartisches aus.

technical drawing
Baugröße:

Längen und Gewichte [mm]

Bestellnr. max.
Hublänge
Gewicht
[kg]
Gewicht zusätzlich
pro 100 mm
[kg]
max. statistsche
Tragfähigkeit
Einzelpreis bei Basishub 100mm  
axial
[N]
radial
[N]
in 3 Werktagen versandfertig SHT-12-AWM-PL 750 1,1 0,1 700 2800 Preis auf Anfrage In den Warenkorb
in 3 Werktagen versandfertig SHT-20-AWM-PL 1000 3,2 0,3 1600 6400 Preis auf Anfrage In den Warenkorb
in 3 Werktagen versandfertig SHT-30-AWM-PL 1250 8,6 0,6 2500 10000 Preis auf Anfrage In den Warenkorb
in 10 Werktagen versandfertig SHT-12-EWM-PL 750 1,3 0,2 700 2800 340,38 USD In den Warenkorb
in 10 Werktagen versandfertig SHT-20-EWM-PL 1000 3,9 0,6 1600 6400 494,18 USD In den Warenkorb
in 10 Werktagen versandfertig SHT-30-EWM-PL 1250 10,9 1,4 2500 10000 941,93 USD In den Warenkorb
in 10 Werktagen versandfertig SHT-12-SWM-PL 750 1,3 0,2 700 2800 257,29 USD In den Warenkorb
in 10 Werktagen versandfertig SHT-20-SWM-PL 1000 3,9 0,6 1600 6400 375,51 USD In den Warenkorb
in 10 Werktagen versandfertig SHT-30-SWM-PL 1250 10,9 1,4 2500 10000 645,13 USD In den Warenkorb
Mehr zum gewünschten Artikel:
3D CAD 3D CAD
Musterbestellung Musterbestellung
PDF PDF
Preisanfrage Preisanfrage
myCatalog myCatalog

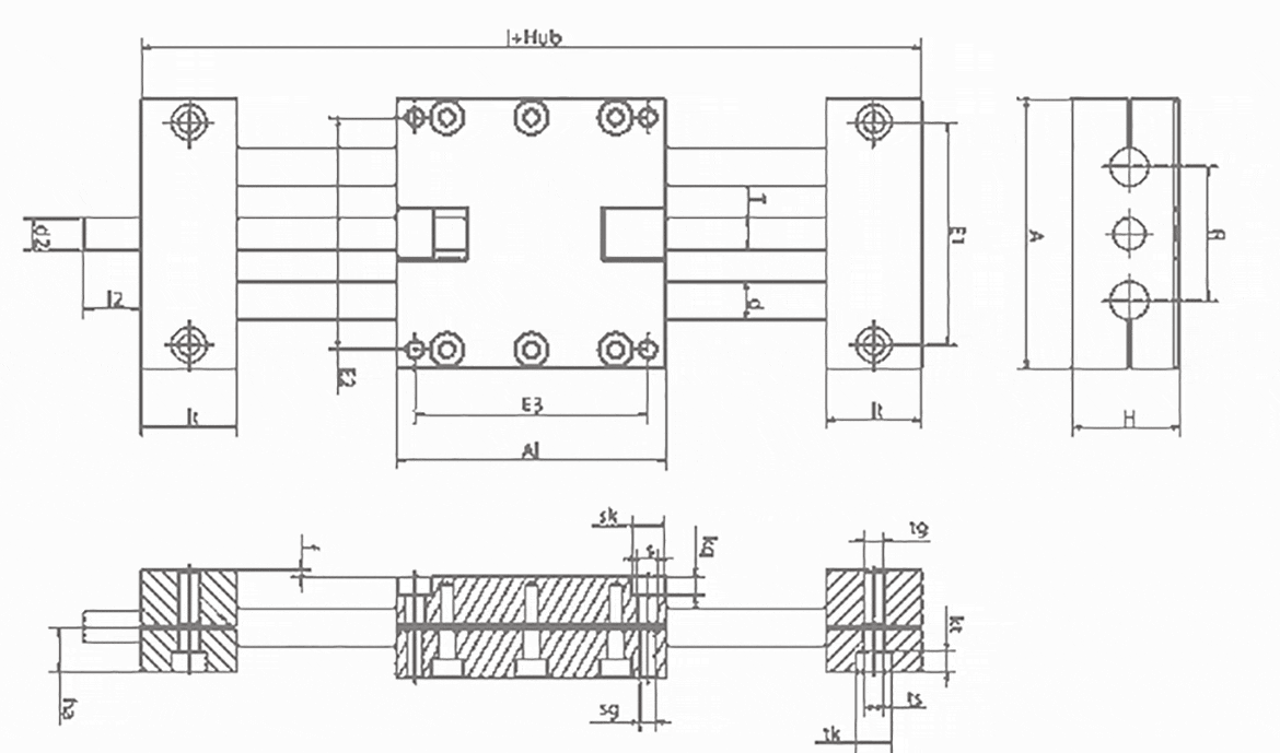
Abmessungen [mm]

Bestellnr. A
-0,3
Al
-0,3
H E1
±0,15
E2
±0,15
E3
±0,15
l R f lt
±0,1
tk ts
in 3 Werktagen versandfertig SHT-12-AWM-PL 85 85 34 70 73 74 145 42 2 30 11 6,6
in 3 Werktagen versandfertig SHT-20-AWM-PL 130 130 48 108 115 115 202 72 2 36 15 9
in 3 Werktagen versandfertig SHT-30-AWM-PL 180 180 68 150 158 158 280 96 4 50 20 13,5
in 10 Werktagen versandfertig SHT-12-EWM-PL 85 85 34 70 73 73 145 42 2 30 11 6,6
in 10 Werktagen versandfertig SHT-20-EWM-PL 130 130 48 108 115 115 202 72 2 36 15 9
in 10 Werktagen versandfertig SHT-30-EWM-PL 180 180 68 150 158 158 280 96 4 50 20 13,5
in 10 Werktagen versandfertig SHT-12-SWM-PL 85 85 34 70 73 73 145 42 2 30 11 6,6
in 10 Werktagen versandfertig SHT-20-SWM-PL 130 130 48 108 115 115 202 72 2 36 15 9
in 10 Werktagen versandfertig SHT-30-SWM-PL 180 180 68 150 158 158 280 96 4 50 20 13,5
Mehr zum gewünschten Artikel:
3D CAD 3D CAD
Musterbestellung Musterbestellung
PDF PDF
Preisanfrage Preisanfrage
myCatalog myCatalog
Bestellnr tg kt
±0,1
s sk sg kq d T l2 d2*
Standard
ha
in 3 Werktagen versandfertig SHT-12-AWM-PL M8 6,4 6,3 10 M6 6 12 TR10x2 17 TR10x2 18
in 3 Werktagen versandfertig SHT-20-AWM-PL M10 8,6 6,4 11 M8 7 20 TR18x4 26 12 h9 23
in 3 Werktagen versandfertig SHT-30-AWM-PL M16 12,6 11 18 M12 10,6 30 TR24x5 38 14 h9 36
in 10 Werktagen versandfertig SHT-12-EWM-PL M8 6,4 6,3 10 M6 6 12 TR10x2 17 TR10x2 18
in 10 Werktagen versandfertig SHT-20-EWM-PL M10 8,6 6,4 11 M8 7 20 TR18x4 26 12 h9 23
in 10 Werktagen versandfertig SHT-30-EWM-PL M16 12,6 11 18 M12 10,6 30 TR24x5 38 14 h9 36
in 10 Werktagen versandfertig SHT-12-SWM-PL M8 6,4 6,3 10 M6 6 12 TR10x2 17 TR10x2 18
in 10 Werktagen versandfertig SHT-20-SWM-PL M10 8,6 6,4 11 M8 7 20 TR18x4 26 12 h9 23
in 10 Werktagen versandfertig SHT-30-SWM-PL M16 12,6 11 18 M12 10,6 30 TR24x5 38 14 h9 36
Mehr zum gewünschten Artikel:
3D CAD 3D CAD
Musterbestellung Musterbestellung
PDF PDF
Preisanfrage Preisanfrage
myCatalog myCatalog

* TR10x2 ohne bearbeitetes Spindelende


Zu diesen Artikeln passend:


Sie haben Fragen zur Linearachse mit manueller Spieleinstellung?
Unser Experte Sebastian Wiederhold klärt mit Ihnen alle Fragen rund um die drylin Antriebstechnik. Einfach Wunschtermin vereinbaren. Wir freuen uns auf Sie!
 
  • Termin online anfragen
  • Termin vereinbaren
  • Experten Support nach Wunsch telefonisch oder über Video-Chat-Funktion
Sebastian Wiederhold support bei igus

in 3 Werktagen versandfertig
in 10 Werktagen versandfertig

The terms "Apiro", "AutoChain", "CFRIP", "chainflex", "chainge", "chains for cranes", "ConProtect", "cradle-chain", "CTD", "drygear", "drylin", "dryspin", "dry-tech", "dryway", "easy chain", "e-chain", "e-chain systems", "e-ketten", "e-kettensysteme", "e-loop", "energy chain", "energy chain systems", "enjoyneering", "e-skin", "e-spool", "fixflex", "flizz", "i.Cee", "ibow", "igear", "iglidur", "igubal", "igumid", "igus", "igus improves what moves", "igus:bike", "igusGO", "igutex", "iguverse", "iguversum", "kineKIT", "kopla", "manus", "motion plastics", "motion polymers", "motionary", "plastics for longer life", "polymore", "print2mold", "Rawbot", "RBTX", "RCYL", "readycable", "readychain", "ReBeL", "ReCyycle", "reguse", "robolink", "Rohbot", "savfe", "speedigus", "superwise", "take the dryway", "tribofilament", "triflex", "twisterchain", "when it moves, igus improves", "xirodur", "xiros" and "yes" are legally protected trademarks of the igus® GmbH/ Cologne in the Federal Republic of Germany and where applicable in some foreign countries. This is a non-exhaustive list of trademarks (e.g. pending trademark applications or registered trademarks) of igus GmbH or affiliated companies of igus in Germany, the European Union, the USA and/or other countries or jurisdictions.

igus® GmbH points out that it does not sell any products of the companies Allen Bradley, B&R, Baumüller, Beckhoff, Lahr, Control Techniques, Danaher Motion, ELAU, FAGOR, FANUC, Festo, Heidenhain, Jetter, Lenze, LinMot, LTi DRiVES, Mitsubishi, NUM,Parker, Bosch Rexroth, SEW, Siemens, Stöber and all other drive manufacturers mention on this website. The products offered by igus® are those of igus® GmbH