Mein Ansprechpartner
Standort auswählen

Nach Eingabe Ihrer Postleitzahl nennen wir Ihnen sofort Ihren persönlichen igus® Berater.

DE(DE)

drylin® SHT-EWM-HTX bis 180°C

Wellen und Spindel aus Edelstahl, Lagermaterial iglidur® X

Schlitten und Traversen aus eloxiertem Aluminium

absolut schmiermittelfrei

erhältlich als SHT – Standard; SHTC – der Flexible, ideal für zwei Schlitten; SHT-XY – die Kreuztischvariante


Branchen: Industrieöfen, Laborbereich, Zahnmedizin, medizinische Brennöfen

Art.-Nr. max.
Hublänge
Aluminiumwelle   Stahlwelle   max. stat.
Tragfähigkeit
     
    Gewicht

[kg]
zusätzl.
(pro 100 mm)
[kg]
Gewicht

[kg]
zusätzl.
(pro 100 mm)
[kg]
axial

[N]
radial

[N]
   
in 10 Werktagen versandfertig SHT-12-EWM-HTX 750 1,1 0,1 1,3 0,2 700 2800 Preis auf Anfrage In den Warenkorb
in 10 Werktagen versandfertig SHT-20-EWM-HTX 1000 3,2 0,3 3,9 0,6 1600 6400 477,93 USD In den Warenkorb
Mehr zum gewünschten Artikel:
3D CAD 3D CAD
Musterbestellung Musterbestellung
PDF PDF
Preisanfrage Preisanfrage
myCatalog myCatalog
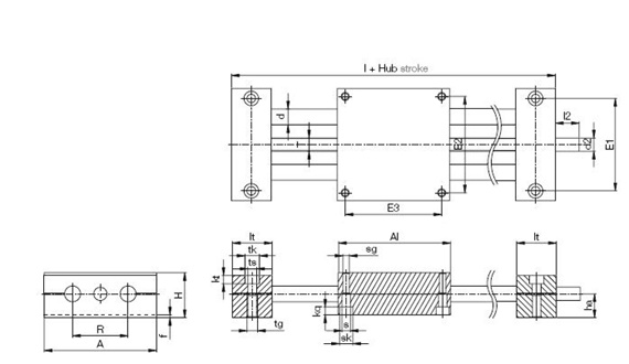
Bestellnr. A
-0,3
Al
-0,3
H E1
±0,15
E2
±0,15
E3
±0,15
l R f lt
±0,1
tk ts
in 10 Werktagen versandfertig SHT-12-EWM-HTX 85 85 34 70 73 73 145 42 2 30 11 6,6
in 10 Werktagen versandfertig SHT-20-EWM-HTX 130 130 48 108 115 115 202 72 2 36 15 9
Mehr zum gewünschten Artikel:
3D CAD 3D CAD
Musterbestellung Musterbestellung
PDF PDF
Preisanfrage Preisanfrage
myCatalog myCatalog

Fortsetzung der Abmessungen

Art.-Nr. tg kt s sk sg kq d T l2 d2 ha
    ±0,1               Standard  
in 10 Werktagen versandfertig SHT-12-EWM-HTX M8 6,4 6,3 10 M6 6 12 TR10x2 17 TR10x2 18
in 10 Werktagen versandfertig SHT-20-EWM-HTX M10 8,6 6,4 11 M8 7 20 TR18x4 26 12 h9 23
Mehr zum gewünschten Artikel:
3D CAD 3D CAD
Musterbestellung Musterbestellung
PDF PDF
Preisanfrage Preisanfrage
myCatalog myCatalog

*TR 10 x 2 mit auslaufendem Spindelende

Stefan Niermann, Produktmanager Lineartechnik

Weitere Informationen:


in 10 Werktagen versandfertig

The terms "Apiro", "AutoChain", "CFRIP", "chainflex", "chainge", "chains for cranes", "ConProtect", "cradle-chain", "CTD", "drygear", "drylin", "dryspin", "dry-tech", "dryway", "easy chain", "e-chain", "e-chain systems", "e-ketten", "e-kettensysteme", "e-loop", "energy chain", "energy chain systems", "enjoyneering", "e-skin", "e-spool", "fixflex", "flizz", "i.Cee", "ibow", "igear", "iglidur", "igubal", "igumid", "igus", "igus improves what moves", "igus:bike", "igusGO", "igutex", "iguverse", "iguversum", "kineKIT", "kopla", "manus", "motion plastics", "motion polymers", "motionary", "plastics for longer life", "polymore", "print2mold", "Rawbot", "RBTX", "RCYL", "readycable", "readychain", "ReBeL", "ReCyycle", "reguse", "robolink", "Rohbot", "savfe", "speedigus", "superwise", "take the dryway", "tribofilament", "triflex", "twisterchain", "when it moves, igus improves", "xirodur", "xiros" and "yes" are legally protected trademarks of the igus® GmbH/ Cologne in the Federal Republic of Germany and where applicable in some foreign countries. This is a non-exhaustive list of trademarks (e.g. pending trademark applications or registered trademarks) of igus GmbH or affiliated companies of igus in Germany, the European Union, the USA and/or other countries or jurisdictions.

igus® GmbH points out that it does not sell any products of the companies Allen Bradley, B&R, Baumüller, Beckhoff, Lahr, Control Techniques, Danaher Motion, ELAU, FAGOR, FANUC, Festo, Heidenhain, Jetter, Lenze, LinMot, LTi DRiVES, Mitsubishi, NUM,Parker, Bosch Rexroth, SEW, Siemens, Stöber and all other drive manufacturers mention on this website. The products offered by igus® are those of igus® GmbH